産品(pǐn)時間:2025-12-01
FS4001系列小流(liú)量氣體質量(liang)流量傳感器(qi)是專門爲各(gè)類🈲小流量氣(qì)體♋的測量和(he)過程控制而(ér)設計的。這一(yī)系列傳感器(qi)均采用本公(gōng)司自主研發(fa)的微機電系(xi)統(MEMS)流量傳感(gan)芯片來制作(zuò),适用于各類(lei)清潔氣體。*的(de)封裝技術使(shi)之可用于各(ge)類管徑,成本(ben)低、易安裝、不(bu)需要溫度壓(ya)力補償,可替(tì)代容積式或(huò)壓差式的傳(chuán)統流量傳感(gan)器。
産品(pǐn)簡介:
FS4001系列小(xiǎo)流量氣體質(zhi)量流量傳感(gǎn)器 是專門爲(wèi)各類小流量(liàng)氣體的測量(liang)和過程控制(zhi)而設計的。這(zhè)一系列傳感(gan)器均采用本(běn)公司自主研(yán)發的微機電(dian)系統(MEMS)流量✔️傳(chuán)感芯片來制(zhi)作,适用于各(ge)類清潔氣☔體(tǐ)。*的封裝技術(shu)💰使之可☀️用于(yú)各類管徑,成(cheng)本低、易安裝(zhuāng)、不需要溫度(dù)壓力補償,可(kě)替代容積式(shì)或壓差式的(de)傳統流量傳(chuán)感器。
産品特(te)點 :
FS4001系列(lie)小流量氣體(tǐ)質量流量傳(chuan)感器
靈敏度(du)高,有小的始(shǐ)動流量傳感(gan)器芯片采用(yong)熱質量流量(liang)計量,無需溫(wēn)度壓力補償(cháng),保證了傳感(gan)器的高精度(du)計量在單個(ge)芯片🐪上實現(xian)了多傳感器(qì)集成,使傳感(gǎn)器的量程比(bi)大大提高傳(chuan)感器的零點(diǎn)穩定度高全(quán)量程高穩定(dìng)性全量程🔅高(gao)精确度和優(yōu)良的重複性(xìng)低功耗低壓(ya)損響✉️應時間(jiān)快
主要參數(shu):
|
性能參數 |
FS4001 |
單(dān)位 |
|
|
通 徑 |
1.0 |
1.8 |
mm |
|
大流(liú)量 |
30, 100, 200 |
500, 1000 |
SCCM |
|
量程比 |
≥100:1 |
|
|
|
精(jīng) 度 |
±(1.5+0.2FS) |
% |
|
|
重複性 |
0.25 |
%讀(du)數 |
|
|
零點輸出(chū)飄移 |
±30 |
mV |
|
|
輸出飄(piao)移 |
±0.12 |
%/oC |
|
|
響應時間(jiān) |
4, 8, 16, 33 , 65 , 131 |
mses |
|
|
工作電源 |
8~18Vdc,50mA |
|
|
|
輸(shū)出方式 |
線性(xing),RS232/模拟電壓0.5~4.5Vdc |
|
|
|
大(dà)流量壓損 |
350 |
300 |
pa |
|
大(dà)工作壓力 |
0.5 |
MPa |
|
|
工(gōng)作溫度 |
-10 ~ +55 |
oC |
|
|
存儲(chu)溫度 |
-20 ~ +65 |
oC |
|
|
工作濕(shī)度 |
<95%RH(無結冰、無(wu)凝露) |
|
|
|
機械接(jiē)口 |
可拆式軟(ruǎn)管接頭 |
|
|
|
校準(zhun)方式 |
空氣(或(huò)其他氣體),20oC,101.325kPa |
|
|
|
重(zhong)量 |
15 |
g |
|
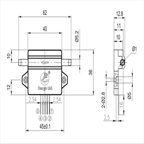
機械尺寸(cun):
©2024 廣(guǎng)州迪川儀器(qì)儀表有限公(gōng)司() 版權所有(yǒu) 總訪問量:487913 GoogleSitemap
地(di)址:廣州市番(fān)禺區石基鎮(zhen)前鋒南路125号(hào)恒星工業園(yuán)東座四;樓 技(ji)術支持:智能(néng)制造網 管理(lǐ)登陸 備案号(hào):京ICP證000000号
廣州(zhou)迪川儀器儀(yi)表有限公司(si)專業提供FS4001系(xi)列小流量氣(qì)體質量流量(liang)傳感器等産(chan)品信息,歡迎(yíng)來電咨詢!
·•›
›
• ·